散熱風扇
熱門新聞
-
產品詳情
-
聯系我們
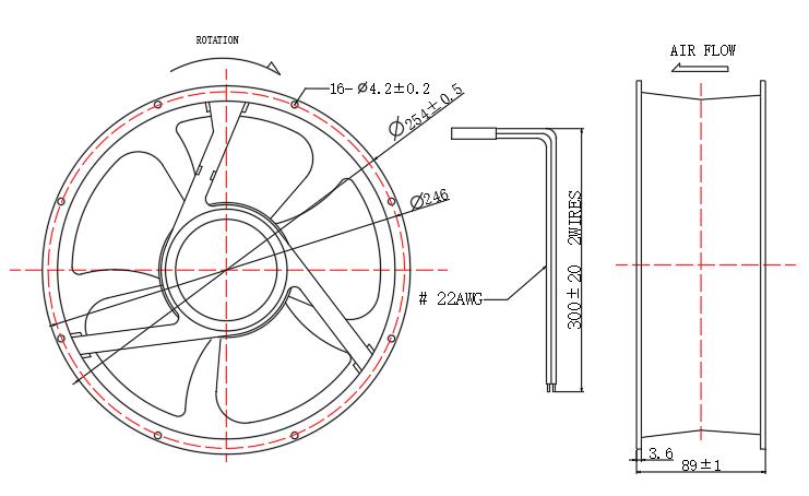
散熱風扇JXJ25489A2H-B基本參數 | ||
| 尺 寸: | 254×89 MM | |
| 額定電壓: | AC 220 V | |
| 額定電流: | 0.22A | |
| 額定轉速: | 2700 RPM | |
| 額定功率: | 50.0 W | |
| 最大風量: | 860/930CFM | |
| 最大風壓: | 0.94/0.86 INH2O | |
| 噪 音: | 62/65 dB-A | |
| 散熱風扇JXJ25489A2H-B曲線 | 散熱風扇JXJ25489A2H-B尺寸圖 |
![]() | ![]() |
同型號其他參數
| MODEL | Rated Voltage | Freq | Rated Current | Rated Input Power | Speed | Maximum Air Flow | Maximum Air Pressure | Node | ||
| 型號 | 額定電壓 | 頻率 | 額定電流 | 額定輸出功率 | 轉速 | 最大風量 | 最大風壓 | 噪音 | ||
| PART NO. | V AC | Hz | A mp | Watt | R.P.M | m3/min | CFM | mmH2O | INH2O | dB-A |
| JXJ25489A1H-B | 110 | 50/60 | 0.45/0.56 | 50/65 | 2700/3000 | 24.3/26.3 | 860/930 | -- | 0.94/0.86 | 62/65 |
| JXJ25489A2H-B | 220 | 50/60 | 0.22/0.28 | 50/65 | 2700/3000 | 24.3/26.3 | 860/930 | -- | 0.94/0.86 | 62/65 |
辛苦您了,您看到這里了怎么還沒有看到風扇都沒有什么工功能(防潮、溫控 等)選擇的嗎?不要著急,公司給您來個非常詳細的功能介紹。請點擊風扇功能
備注
如果您需要找的型號或者是需要特殊的型號參數,我司可以給您方案設計,讓您更加放心省事。請聯系我們業務!如果這個型號不合適您,也可以直接點擊產品中心哦!
業務電話:18207676655
傳真:0755-23033850
聯系人:曾先生
地址:深圳市龍華新區觀瀾街道松元上圍新村51號




銷售咨詢-1